| Version | Summary | Created by | Modification | Content Size | Created at | Operation |
|---|---|---|---|---|---|---|
| 1 | Yun Guo Guo | + 2136 word(s) | 2136 | 2021-11-25 10:01:06 | | | |
| 2 | Conner Chen | Meta information modification | 2136 | 2021-12-13 02:21:10 | | |
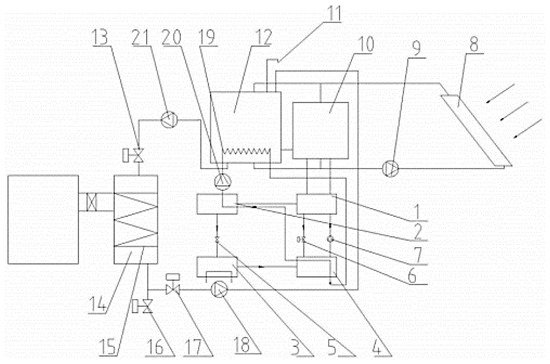
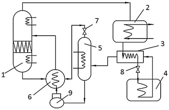
The vacuum freeze-drying process is characterized by sublimating the frozen object into a solid state in a vacuum environment, sublimating the water from the object, and finally drying it. At the same time, sublimating the water into the cold trap coil to re form ice. This characteristic determines that the freeze-drying machine needs to use the heat medium circulation system to heat the material to sublimate the water of the object, The ice condensed on the cold trap coil also needs a lot of heat to melt and discharge.
During the freeze-drying process of the freeze dryer, the cold trap needs to continuously capture the water vapor generated by sublimation to freeze the cold trap coil. The ice captured by the cold trap coil needs to be melted after each batch of freeze-drying, which in turn requires a large amount of high-temperature defrosting water or thawing steam. For the freeze dryer with heat medium circulation system, sublimation drying also needs to continuously absorb heat, The heat required for the whole process is provided by the electric heater of the heat medium circulation system. The preparation of defrosting water or defrosting steam and the electric heater that provides necessary heat for sublimation require a lot of energy consumption. The freeze dryer consumes too much energy, the freeze-drying cost is high and the energy waste is serious.

